Latar Belakang: Mengubah Tantangan Menjadi Peluang
Musim dingin di Korea Selatan (Oktober hingga April) menciptakan kebutuhan energi yang tinggi untuk pemanasan. Selama ini, pemanasan disuplai oleh pembangkit listrik. Namun, profitabilitas rendah karena listrik harus dijual ke KEPCO dengan harga tetap. Akibatnya, banyak pembangkit mencari solusi energi inovatif yang dapat menekan biaya, meningkatkan efisiensi, sekaligus menciptakan nilai baru.
Salah satu solusinya adalah pemanfaatan kembali panas buangan (waste heat recovery). Dengan mendaur ulang panas dari gas buang dan air pendingin, pembangkit dapat meningkatkan efisiensi sekaligus menurunkan emisi. Teknologi absorption heat pump BROAD kini menjadi pilihan utama bagi pembangkit listrik dan pabrik, karena terbukti membantu menghemat energi, mengurangi emisi CO₂, dan meningkatkan keuntungan ekonomi.

Proyek Incheon Total Energy
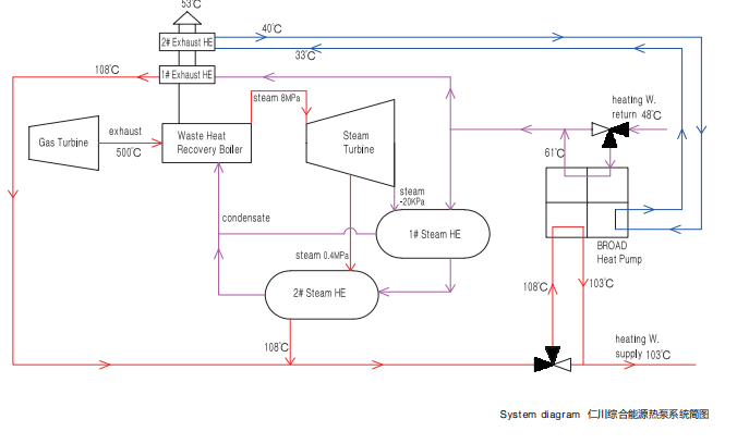
Berlokasi di Songdo, Incheon, Korea Selatan, dekat bandara dan pelabuhan, Incheon Total Energy menjadi proyek energi terkemuka. Pembangkit listrik siklus gabungan gas–uap ini memiliki kapasitas 200MW serta menyediakan pemanas untuk 32.000 pengguna.
Untuk memaksimalkan efisiensi, proyek ini bekerja sama dengan BROAD dengan memasang BDH1000 absorption heat pump. Teknologi ini mendaur ulang panas buangan secara efektif sekaligus mendukung target nasional Korea Selatan dalam efisiensi energi dan pengurangan CO₂.
Keunggulan Teknis Proyek
Proyek Incheon menjadi terobosan dalam penerapan industrial heat pump dengan keunggulan sebagai berikut:
- Menggunakan air panas sebagai panas penggerak – tidak mengganggu keseimbangan panas pada sistem pembangkit.
- Optimasi pemulihan pada suhu sedang (≤105°C) – memperpanjang umur sistem dan menjaga kestabilan operasi.
- Pelat isolasi termal khusus – dapat dilepas sehingga memudahkan perawatan chiller.
- Sistem filtrasi canggih – menjaga kebersihan dan stabilitas pengoperasian chiller.
Dengan desain pemulihan panas 18,6 Gcal/jam (operasi nyata: 15,6 Gcal/jam), proyek ini menyumbang sekitar 10% dari total suplai panas.

Nilai Proyek: Efisiensi Bertemu Keberlanjutan
Hasil dari penerapan teknologi BROAD di Proyek Incheon Total Energy sangat signifikan:
- USD 5 juta keuntungan tahunan dari daur ulang panas buangan.
- Pengurangan emisi CO₂ sebesar 23.724 ton/tahun, sesuai target pemerintah.
- Eliminasi “white smog”, mengurangi keluhan warga dan meningkatkan kualitas udara.
- Liputan media positif, menjadikannya proyek percontohan hemat energi di Korea Selatan.

Relevansi untuk Indonesia
Indonesia menghadapi tantangan besar dalam kebutuhan energi, biaya bahan bakar, dan emisi karbon. Proyek Incheon membuktikan bahwa solusi absorption heat pump BROAD dapat diterapkan di pembangkit listrik, kawasan industri, dan pabrik di Indonesia untuk:
- Mendaur ulang panas buangan dan menekan biaya energi.
- Meningkatkan efisiensi energi dan kinerja keberlanjutan.
- Mengurangi emisi CO₂ sesuai komitmen pemerintah dan korporasi.
- Memperkuat profitabilitas sembari mendukung pertumbuhan hijau.
BROAD Indonesia: Mendorong Masa Depan Berkelanjutan
BROAD berkomitmen membantu industri di Indonesia untuk mengoptimalkan potensi tersembunyi dari panas buangan. Dengan mengadopsi solusi yang terbukti sukses seperti Proyek Incheon Total Energy, bisnis di Indonesia dapat meraih biaya energi lebih rendah, efisiensi lebih tinggi, dan kinerja lingkungan yang lebih baik.
👉 Jika Anda ingin mengurangi biaya energi, menekan emisi, dan menciptakan nilai jangka panjang, BROAD Indonesia siap menjadi mitra terpercaya Anda.